省廳頒布 關于在全省職業學校建立和完善技能大賽制度的意見 提出要真正形成普通教育有高考 職業教育有技能大賽的新局面 以后每年的技能大賽必將如火如荼地進行數控車加工是全國發起最早 也是到目前發展得最為完善的技能大賽比賽項目之一 回顧過去幾年的比賽試題 展望年 數控車加工中還是一些特殊曲線 如橢圓 拋物線 雙曲線及變坐標曲線 是加工難點 結合這幾年的研究結果與比賽經驗
我提出幾點個人見解
一 套用編程模板 能使編程又快又準
曲線坐標系與工件坐標系的關系
首先要明確一點 這里指的曲線坐標系與工件坐標系是相互平行的 即兩坐標系間只存在水平和垂直兩個方向的平移問題 并不存在旋轉問題 如下圖1所示

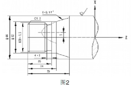
由于數控系統把平行于主軸的那根軸定義為Z軸 因此針對曲線方程要將其坐標進行轉換 才能讓編程者方便上手 也不會使編程出錯 如下圖2所示

這是一段拋物線形狀 其方程為x=0.1y2這里的y應是工件坐標系的x 而x應是工件坐標系的z 因此方程應轉化為z=0.1x2這個地方編程者容易轉化為x=0.1z2這樣一來加工出來的曲線形狀就完全錯誤了2 套用模板 利用 模板 編程這里講的 模板 只是一種編程的格式 只要編程者掌握了這種編程格式 加以靈活運用 就能使編程速度大大提高即所有曲線編程時 點的坐標的采集都是來至曲線本身的坐標系 然后把曲線坐標系下的坐標通過原點坐標平移移至工件坐標系下即可 如上圖1 這個零件的右端面為一橢圓 其曲線坐標系的原點為O 如圖所示 其坐標方程z2/202+x2/142=1工件坐標系的編程零點為O 如圖所示 相對于曲線坐標系曲線Z 向應從20加工到-10 曲線坐標系的原點相對于工件坐標系的原點只沿Z向平移-20 這樣一來其參考程序 利用宏程序進行編程 為 華中系統
#1=20WHILE#1GE -10#2=14/20*SQRT 20*20 #1*#1G01X #2*2 Z #1 20 直徑量編程要*2 坐標平移這是關鍵#1=#1 0.1 步距為0.1ENDW又如圖2 中間是一段拋物線,轉化后的方程為z=0.1x2這段拋物線的原點O 相對于工件坐標系原點O不僅有Z向偏移而且有X向的偏移 這是難點之一 另外 編程者還容易出錯的是自變量 Z 的加工范圍 A B 的確定上由 32可知A點的X向坐標為11 則A點的Z向坐標為12.1,所以O 相對于O的Z向距離為11.9,這就是Z向偏移,則其自變量 z加工范圍是 相對于曲線坐標系 12.1 23.1,對嗎?似乎沒有任何問題,其實我們忽略了一個很重要的問題:加工方向 按照工藝分析,這段拋物線應從左向右加工,這樣一來加工范圍應是從-12.1 -23.1,因此這段拋物線的參考程序是 華中系統
#1=-12.1
WHILE#1GE -23.1
#2=SQRT 10*#1
G01X #2*2+10 Z #1-11.9 X向偏移直徑量,Z向偏移
#1=#1-0.1
ENDW
有時有些實際曲線圖上并沒有標出X向的偏移 編程人員切不可誤以為沒有偏移, 否則加工出來的曲線形狀就是不對的,如下圖3所示
這個零件的中間是一段雙曲線,由圖3可知Z向偏移了-34,X向好像沒有偏移,對嗎?粗心的偏程者就這樣認為,就開始編程,通過機床一模擬發現形狀不對,一時陷入僵局
經過仔細核查, 將A點Z坐標 曲線坐標系 6代入方程得13.416 遠遠大于10,這就說明實際曲線位置相對于理論位置向上發生了偏移,偏移值應是6.832 直徑量 ,因此其參考程序

#1=6
WHILE#1GE -6
#2=SQRT 144+#1*#1
G01X #2*2-6.832 Z #1-34
#1=#1-0.1
ENDW
二 傾斜橢圓的加工是技能比賽的一大亮點
隨著技能大賽的深入進行 一些較難曲線的加工也相繼出現 斜橢圓加工就是這樣應運而生的 何為斜橢圓呢 就是橢圓坐標系相對于工件坐標系旋轉了一定角度 如下圖4所示

這里的橢圓坐標系相對于工件坐標系旋轉了 角 那么對于這樣的曲線該如何加工呢我經過反復研究 借助高中數學坐標旋轉公式 終于將其解決 具體解決過程如下設旋轉前某點坐標為 Z X 旋轉后該點在新坐標系中的坐標為 Z X 則它們之間滿足如下關系 按逆時針旋轉
Z = ZCOS +XSIN0
X = XCOS –ZSIN0
這兒存在兩個疑問 一是坐標是按順時針旋轉 仍是按逆時針旋轉 二是自變量是挑選斜坐標系仍是挑選旋轉后的坐標系的坐標 且加工規模如何斷定 依照習氣一般依照逆時針旋轉 這樣如上圖所示實踐旋轉時應旋轉 別的 圖上所標尺度是工件坐標系下的尺度 而自變量的選擇卻要取斜坐標系下的尺度 為何呢 由于 只要斜坐標系下的坐標才滿足橢圓規范方程 這樣使得核算與編程便利 這樣自變量加工規模的起點和結尾坐標一開始要經過逆旋轉公式求出該點在斜坐標系下的坐標 公式如下
Z= Z
X= Z SIN +X COS0
如上圖所示 A點 Z X 為 4.45 11 =60 則順時針旋轉30 因此將4.16代入 式得
Z=4.45
所以 自變量加工范圍 在斜坐標系中 的Z向起點為11.75假如Z向終點為-2 則其參考程序為 華中系統
#1 Z =11.75
WHILE#1GE -2
#2 X =10/18*SQRT 18*18-#1*#1 橢圓旋轉后是水平方向
#3 Z =#1* COSPI/3-#2*SINPI/3 華中系統
只能用弧度制表示角度
#4 X =#1*SINPI/3 + #2*
COSPI/3G01X -#4*2+80 Z #3 -13.59 負曲線X 向偏置, Z 向偏置
#1=#1-0.1
ENDW
經過上機模擬以及實物加工,完全正確
以上就是我在數控車加工教學過程中的一些經驗和體會 歡迎同行批評指正
本文由 伯特利數控文章 整理發表,文章來自網絡僅參考學習,本站不承擔任何法律責任。
2024-11
本文以組合式六角亭模型為實例,分析工藝難點與加工可行性,指出該模型的加工難點是模型形狀不規則和整體剛性差,并通過設計新的工藝方案解決加工難點,完成了模型整體的加工。新的加工工藝有助于提高加工效率和精度,為五軸數控加工提供了一個典型案例,對于五軸加工中心數控加工也具有指導作用和重要… [了解更多]
2024-11
宇匠數控 備注:為保證文章的完整度,本文核心內容由PDF格式顯示,如未有顯示請刷新或轉換瀏覽器嘗試,手機瀏覽可能無法正常使用!本文摘要:通過對混聯五軸加工中心自適應深度學習控制方法的 研 究,可 知 此 方 法 的 創 新 之 處 在 于:1)建 立 了 機 床 的 運 動 學 … [了解更多]
2024-11
宇匠數控 備注:為保證文章的完整度,本文核心內容由PDF格式顯示,如未有顯示請刷新或轉換瀏覽器嘗試,手機瀏覽可能無法正常使用!本文摘要:1)本文建立了基于轉角向量和雙弦弓高的局部能量光順算法,該方法以刀心點光順前后最大許用偏移量作為約束,通過計算拐角處微小線段局部能量最優解,可使… [了解更多]
2024-11
在機測量技術由于其成本低、檢測效率高、無需二次裝夾等優勢被廣泛用于零件加工測量當中,使得五軸加工中心和五軸鉆攻中心,同時又兼具測量功能。在機測量系統的構成如圖1所示,硬件部分主要是由高精度探頭、信號接收器、機床整個本體,軟件部分由機床控制系統、測量軟件等組成[8]。待零件加工完成… [了解更多]